电池寿命延长8年!2025 SOC/SOH监测技术落地路径
本文综述了电动汽车锂离子电池状态(SoC与SoH)的高精度估算方法。首先分析了电动汽车动力系统结构及其对电池管理系统(BMS)的功能需求,突出了BMS在电池安全、效率提升与寿命延长方面的重要作用。
文章系统介绍了当前主流电池建模方法,包括等效电路模型(ECMs)、电化学模型(EMs)及数据驱动模型(DDMs),并对比了三类模型的基本原理、性能特点、适用场景与局限性。重点探讨了数据驱动模型,涵盖传统机器学习(如线性回归、决策树、支持向量机)与深度学习架构(如FNNs、RNNs、LSTMs、自编码器),并分析了强化学习在电池管理中的应用潜力。
从技术原理、实现难点与工程应用角度,文章对各类估算方法进行了归纳,指出高精度SoC/SoH估算对电池性能优化、行车安全增强及绿色交通发展具有重要意义。最后,总结了当前技术进展,提出了未来研究方向,为构建更智能、更可靠的下一代BMS提供理论支持与实践参考。
【研究背景】
电池包作为电动汽车的核心,承担能量存储任务,直接影响续航、动力及安全性能。近年来,电池材料与管理系统的创新显著提升了整车效率,降低了碳排放。但电池寿命、稳定性及状态评估问题仍制约其普及。
电池性能衰退不仅影响使用体验,还可能带来安全隐患。因此,精准评估其运行状态、延缓老化、保障安全成为研究重点。其中,荷电状态(SoC)与健康状态(SoH)尤为关键。SoC反映当前电量,是续航判断依据;SoH体现电池整体健康状况,是寿命与性能衰减的核心指标。
本文综述锂离子电池SoC与SoH估算技术,探讨其在电动汽车动力系统中的应用与优化路径。通过分析现有方法的优劣,旨在提升电池管理精度,延长使用寿命,推动绿色出行。
【详细内容】
1. 电池能量存储系统(BESS)设计概述
电池能量存储系统(BESS)是现代能源技术的核心,广泛应用于消费电子、电动汽车及智能电网等领域。在电动汽车中,BESS不仅提供动力支持,还充当电网与车辆驱动系统之间的关键接口。
图1:纯电动汽车动力系统方框图
电动汽车动力系统将电能高效转化为机械能,驱动车辆行驶。其核心是电池能量存储系统(BESS),用于储存直流电能。电能通过充电连接器输入电池,充电方式主要包括:
交流(AC)充电:通过车辆内置或外部转换器将交流电转为直流电,适用于家庭和公共慢充。直流(DC)快速充电:由充电站直接供电,充电速度快,适合长途旅行。系统支持双向能量流动,实现“车辆到电网”(V2G)功能,使电动汽车可向电网回馈电能,提升电网稳定性,并支持能源优化管理。
BESS中的电能通过功率转换器转为交流电,驱动电动马达,再转化为机械能提供车轮扭矩。机械传动系统负责扭矩分配,提升操控性与牵引力。
电子控制单元(ECU)是系统“大脑”,接收驾驶员指令并协调各组件运作,确保驾驶流畅。仪表盘提供交互界面,显示车辆状态。
高效BESS由电池模块与电池管理系统(BMS)组成,二者协同工作以保障安全、高效、长寿命运行。后续将深入探讨其关键技术与设计优化。
1.1 能量存储技术:锂离子电池的多元发展
电化学储能技术,尤其是电池储能,在现代能源系统中至关重要。充电时将电能转化为化学能,放电时再转回电能。锂离子电池因高能量密度、长循环寿命和广泛适用性,已成为主流技术。其工作原理是锂离子在正负极间通过电解质穿梭,实现高效能量存储与释放,适用于消费电子、电动汽车及电网储能。
常见锂离子电池类型包括:
钴酸锂(LCO):能量密度高,安全性好,用于消费电子产品。锰酸锂(LMO):结构稳定、内阻低,适用于电动车如日产聆风。磷酸铁锂(LFP):热稳定性强,温度适应范围广,广泛用于电动汽车和储能。镍钴锰酸锂(NMC):能量与功率密度高,性能可调,是电动车主流选择。镍钴铝酸锂(NCA):高能量密度,特斯拉广泛采用。钛酸锂(LTO):寿命长、安全性高,适合快速充电和低温应用。选择电池时需考虑:
能量密度:决定续航或工作时间。功率密度:影响充放电速度。循环寿命:决定使用时长。往返效率:反映能量转化损耗。成本:包括制造与维护。环境影响:涵盖原材料、制造与回收。储能技术的发展对实现低碳、可持续能源系统至关重要。
1.2 电池管理系统(BMS)的核心职能与组件
电池管理系统(BMS)是确保电池组有效运行和延长其使用寿命的关键所在 。它通过一系列精密的控制技术来实现这一目标,包括充放电控制、温度管理以及对电芯电位、电流和电压的实时监测 。BMS由各种硬件和软件组件构成,这些组件协同工作,以高效地管理和监测能量存储系统 。
BMS硬件组件:
微控制器(Microcontrollers):作为BMS的“大脑”,微控制器负责执行用于监测、控制和状态估算的算法 。它们处理来自传感器的数据,并管理与其他节点(如ECU)的通信 。
电压和温度传感器(Voltage and Temperature Sensors):这些传感器对于监测电池的运行过程和评估其健康状况至关重要 。它们实时追踪单个电芯的电压和整个电池包的整体温度,确保电池在安全范围内运行并防止过热。
电流传感器(Current Sensors):用于测量进出电池的电流,从而实现可用电量的精确计算,并协助进行有效且安全的充放电管理 。
通信接口(Communication Interfaces):这些组件允许BMS与连接到能量存储系统的其他系统进行通信,例如通过CAN总线与车辆的ECU进行数据交换 。
电芯均衡电路(Cell Balancing Circuits):在电池包中,电芯之间可能存在制造差异或使用中的不一致性,导致充放电水平不均匀。电芯均衡电路有助于维持所有电芯之间电荷水平的均匀性,从而提升整体性能并延长电池寿命 。
安全电路(Safety Circuits):这些电路旨在保护能量存储系统和用户,防止在运行条件下发生故障或危险事件,如过压、欠压、过流、过温等 。
BMS软件组件:
状态估算算法(State Estimation Algorithms):这些算法利用来自传感器的数据来计算电池的各种状态,包括SoC和SoH,是BMS进行精确管理的基础 。
热管理软件(Thermal Management Software):该软件通过控制冷却系统或根据热数据调整充电速率来调节电池温度,确保电池在最佳工作条件下运行,从而防止因过热或过冷导致的性能下降和寿命缩短 。
电芯均衡算法(Cell Balancing Algorithms):与硬件均衡电路协同工作,这些算法确保电池包内的所有电芯能够均匀充放电,防止任何单个电芯过度工作或闲置,从而最大限度地发挥电池包的整体性能 。
数据管理系统(Data Management Systems):这些系统负责收集、存储和分析电池的性能数据,为预测性维护提供支持,并向用户提供电池状态和健康状况的实时洞察 。
充电控制软件(Charging Control Software):此组件管理充电过程,优化充电速率,并确保电池充电过程的安全性和效率,以避免对电池造成损害 。
图2:BMS方框图(其中包含了硬件(橙色块)和软件(蓝色块)组件之间的协同关系)
开发BMS状态估算算法需综合考虑估算精度、计算复杂度、执行时间和内存使用等关键因素,以在嵌入式硬件上实现可行且高效的方案。在满足BMS实时性要求的同时,需在性能与资源限制之间取得平衡。研究表明,提升算法复杂度可提高估算精度,但也带来更高的计算需求,可能超出硬件能力或增加系统成本。因此,评估和验证算法在实际应用条件下的表现至关重要。已有研究提出系统框架,用于分析不同算法的优劣,帮助根据具体应用需求选择最优方案。
2 电池模型:揭示电池内部世界的数学工具
电池建模在电池系统设计和优化中至关重要,尤其在电动汽车应用中。模型通过数学手段捕捉电池内部复杂的电化学过程,其准确性决定了对电池行为的预测能力,有助于延长寿命、提升性能与安全性。
目前主要有三类模型:等效电路模型(ECMs)、电化学模型(EMs)和机器学习模型(MLMs或DDMs),它们以不同方式预测电池动态行为。
2.1 等效电路模型(ECMs)
ECMs通过电阻、电容和电压源等电路元件模拟电池内部电化学过程。模型参数随电池状态(如SoC、SoH、温度、电流)变化,需在模型复杂性与准确性之间取得平衡。
2.1.1 N-时间常数模型
该模型通过受控电压源(OCV)表示电池电压与剩余电荷关系,电阻R0代表总电阻,RC回路模拟电池非线性动态行为。回路数量决定模型复杂度与精度。
图3:N-时间常数模型示意图
在N-时间模型中,某些配置比其他配置更复杂,并且它们已变得如此重要以至于被明确识别:
Rint模型(0-时间模型):这是第一个被提出且最简单的ECM,由OCV和内阻组成 。该模型不考虑动态效应,因此被归类为0-时间模型,其精度较低,适用于简单应用 。
戴维南模型(Thevenin Model,1-时间模型):Rint模型的首次演变引入了一个RC回路与内阻和OCV串联,从而形成了戴维南模型。这是首次尝试通过单个时间常数来近似电芯的动态演变 。
双极化模型(Dual Polarization Model,2-时间模型):由于单个时间常数无法令人满意地近似电芯典型的非线性行为,因此提出了一种通过双回路(2-时间模型)来结合演化现象的模型 。
更复杂的N-时间模型:通过增加定义数量的串联RC回路来增加模型的复杂性,可以捕获一系列演化现象,这些现象在适当缩放后可以有效地用于更好地表示电芯动态(N-时间模型) 。
2.1.2 兰德尔斯模型(Randles Model)
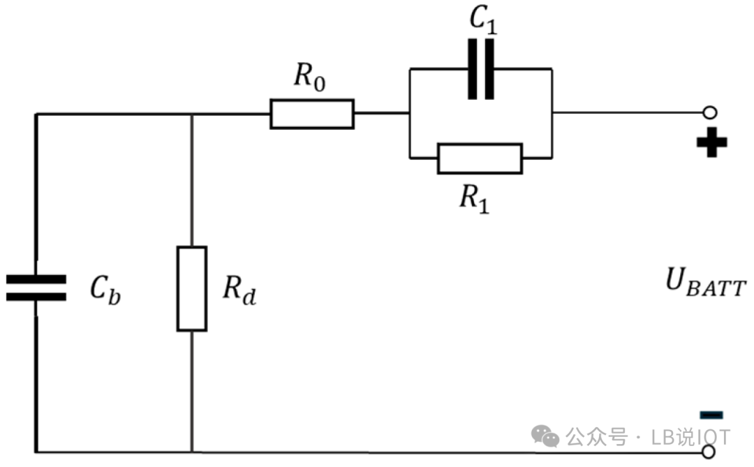
本节介绍的ECMs并未考虑电池在静置期间的自放电现象,而这是一种表征电芯的关键现象 。在之前的模型中,电芯电压最初是从一个受控发电机导出的,其中OCV仅是荷电状态的函数 。然而,荷电状态反过来也是时间的函数,它必须考虑电芯在静置阶段的容量损失 。出于这个原因,有必要修改N-时间模型以适应这种次要但可观察的现象 。
兰德尔斯电路(如图4所示)是第一个同时评估自放电效应的集总参数电路模型 。用于包含这种现象的方法涉及一个电容Cb,它具有非常大的电容,因为它必须存储与电芯相等的能量;以及一个并联的电阻Rd,其值决定了电芯的自放电速率 。锂离子电芯的典型Rd值为70 kΩ 。
图4:兰德尔斯模型示意图
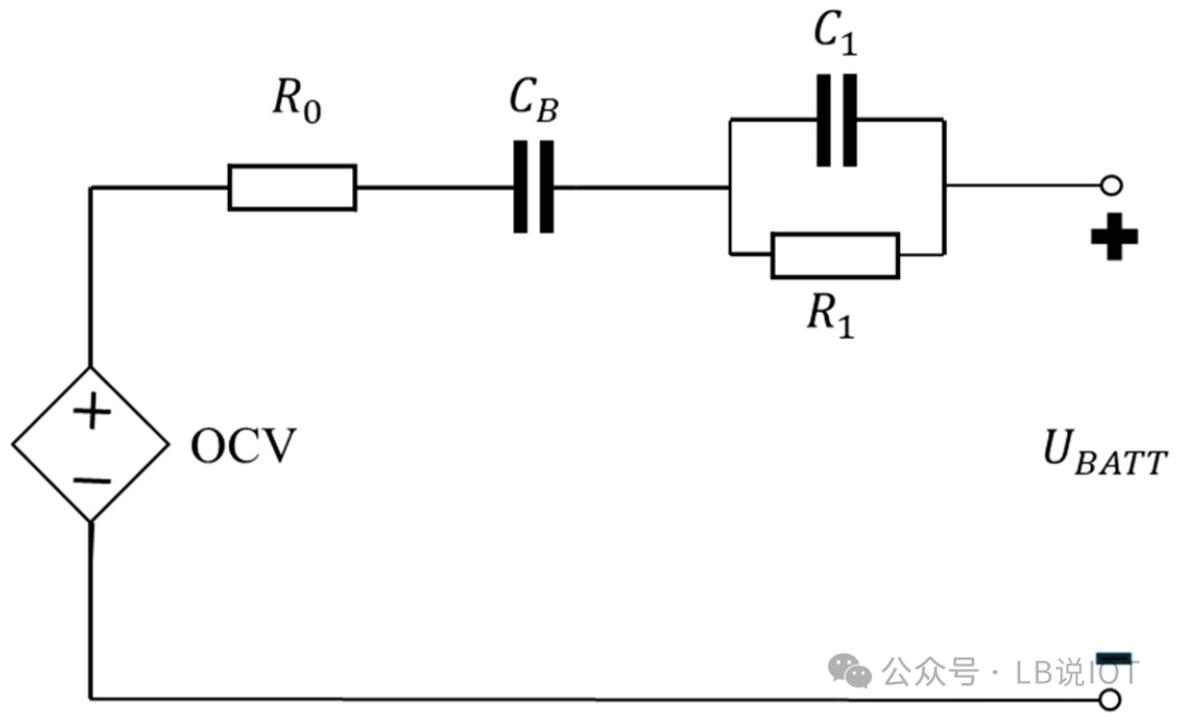
2.1.3 PNGV模型
PNGV模型是一种考虑放电时电压下降的电池模型,包含OCV、内阻R0、RC回路及一个与OCV串联的电容CB。该电容用于量化电压随电流变化的情况,其值等于每安培电流引起的电压降。
图5:PNGV模型示意图
2.2 电化学模型(EMs)
电化学模型用于描述电池内部的微观化学反应,相比等效电路模型更为复杂,常见类型包括DFN、SPM和ESPM。
2.2.1 Doyle-Fuller-Newman模型(DFN或P2D)
DFN模型通过偏微分方程描述锂离子在充放电过程中的动态行为,涵盖电解质扩散、反应动力学、电荷与物质守恒。其为伪二维模型,分别沿颗粒半径和电极厚度方向建模,将电池分为负极、隔膜和正极三部分。模型参数物理意义明确,适合深入研究电池内部状态,但计算复杂度高,依赖大量参数识别,易出现过拟合。
图6:DFN模型示意图
2.2.2 单颗粒模型(SPM)
SPM为DFN的简化版本,忽略电解质细节,假设液相浓度均匀、固相电势均匀,从而大幅降低计算复杂度。适用于控制与实时应用,如锂离子浓度监测。虽简化较多,仍保留热效应影响。其局限在于仅适用于低电流密度和高电解质电导率。
图7:SPM模型示意图
3 电池状态估算方法概述
SoC与SoH的准确估算对电池管理系统(BMS)至关重要,方法选择需考虑精度、成本与实时性。
3.1 传统方法
安时积分法:通过电流积分计算SoC,计算简单但易受测量误差影响,难以估算SoH。查表法:依赖预设表格映射电压、温度等参数至SoC,精度受限于校准质量与电池老化变化。3.2 基于模型的方法
卡尔曼滤波算法:包括EKF、UKF等,适用于动态条件,具备良好精度与计算效率。基于ECM的观测器:如PI观测器,计算负担低,适合低成本系统。单颗粒模型(SPM):物理建模更准确,但计算复杂,需简化为ODE以提升效率。3.3 数据驱动方法
黑箱建模:通过大量数据训练,捕捉复杂输入输出关系,实现SoC/SoH估算。传统机器学习:如线性回归、决策树、KNN等,适用于特定场景,但建模能力有限。高级机器学习:如SVM、随机森林、GPR、贝叶斯网络等,具备高预测精度与不确定性建模能力。深度学习:ANN、FNN、RNN、LSTM等模型可建模复杂非线性关系,适用于时间序列预测与异常检测。3.4 强化学习应用
强化学习(RL)通过优化策略,提升充放电控制性能,延长电池寿命,适应多种操作条件。
SoC和SoH估算方法对比
选择合适的SoC和SoH估算方法对电池管理系统(BMS)的性能、可靠性及成本至关重要。根据精度、成本和实时性需求,可优化方法选择以实现最佳估算效果。
安时积分法计算简单,但依赖初始SoC校准和电流测量精度,误差易累积,且无法直接估算SoH。
查表法实现简便,但依赖预设数据完整性,适应性较差。
基于模型的方法(如EKF、UKF、SPM)精度高,能反映电池内部状态,但对模型参数敏感,计算开销大,且需应对老化带来的参数变化。
数据驱动方法(包括机器学习和深度学习)无需复杂模型,适合非线性动态,精度随数据增长提升,但依赖大量训练数据,泛化能力有限,尤其深度学习对计算资源要求较高。
混合方法结合物理模型与数据驱动技术,兼顾精度与鲁棒性,适用于复杂多变工况。
实际应用中,需根据系统性能、计算能力、成本与精度要求选择合适方法。低成本场景可用安时积分,高要求场景则倾向模型驱动或混合方法。
5 结论
本文系统探讨了电动汽车锂离子电池SoC与SoH的估算方法,从传统安时积分法、基于模型的卡尔曼滤波,到先进的机器学习、深度学习和强化学习技术。分析了各类方法的原理、优势与局限,强调高精度估算对电池安全、性能优化和寿命延长的重要性。
精准的SoC/SoH估算不仅保障电池管理系统高效运行,也提升电动汽车的可靠性、续航准确性和用户信心,同时为电池梯次利用提供数据支持。随着市场发展和技术进步,对更准确、更鲁棒的估算方法的需求将持续增长。
未来发展方向包括:
多源数据融合与传感器创新:结合多种传感器数据与物理、数据驱动模型,构建更精确的电池数字孪生模型。智能自适应算法:开发能实时更新参数、适应电池老化的算法,强化学习有望实现最优管理策略。边缘与云计算协同:实现低延迟实时估算与云端模型优化的统一框架。多物理场耦合建模:整合热、机械与老化效应,提升模型真实度。标准化平台建设:推动统一测试标准与开放验证平台,促进技术比较与应用落地。综上,SoC/SoH估算技术正向多学科融合、智能化、集成化演进,其发展将显著提升电动汽车性能与安全性,助力构建清洁高效的未来交通体系。
*核心数据引自:Dannier et al., Li-Ion Batteries for EV Applications, 2025*
相关知识
理解SOC和SOH:提升新能源汽车电池寿命的关键
电池管理系统关键技术——SOC、SOH、SOE联合估算方法
电池管理技术突破 —— 在线快速SOH监测 大唐恩智浦(大恩芯源)半导体
Qorvo BMS创新解决方案助力精准SOC和SOH监测,应对锂离子电池挑战
电瓶检测仪soc和soh是什么意思
电池管理系统如何计算和监控电池寿命
医疗健康能源存储系统通过高级电池管理延长30%的使用寿命
电动车电池健康度判断指南:延长电池寿命的关键因素
电池健康状态监测与寿命预测
电池管理系统SOH算法揭秘:如何精准评估电池健康
网址: 电池寿命延长8年!2025 SOC/SOH监测技术落地路径 https://www.trfsz.com/newsview1557782.html
推荐资讯
- 1发朋友圈对老公彻底失望的心情 12775
- 2BMI体重指数计算公式是什么 11235
- 3补肾吃什么 补肾最佳食物推荐 11199
- 4性生活姿势有哪些 盘点夫妻性 10428
- 5BMI正常值范围一般是多少? 10137
- 6在线基础代谢率(BMR)计算 9652
- 7一边做饭一边躁狂怎么办 9138
- 8从出汗看健康 出汗透露你的健 9063
- 9早上怎么喝水最健康? 8613
- 10五大原因危害女性健康 如何保 7828
